Инвестиционная стратегия

Революционная губка: как инновационный материал изменит доступ к чистой воде во всём мире

Инвестиционная стратегия
Breakthrough Sponge Could Change How the World Gets Clean Water

Учёные разработали уникальный пористый аэрогель, способный преобразовывать морскую воду в питьевую, используя только энергию солнечного света. Технология обещает стать прорывом в области экологически чистых и энергоэффективных методов опреснения.

Доступ к чистой питьевой воде — одна из наиболее острых и глобальных проблем современного общества. С развитием промышленности и ростом населения многие регионы сталкиваются с дефицитом водных ресурсов. Морская вода, которая составляет примерно 97% всей воды на планете, остаётся недоступной для прямого потребления из-за высокого содержания соли. Традиционные методы опреснения, такие как обратный осмос и термическая дистилляция, требуют значительных затрат энергии и сложной инфраструктуры, что делает их экономически недоступными для многих стран и отдалённых сообществ. Однако передовые исследования в области материаловедения и нанотехнологий открывают новые пути решения этой проблемы.

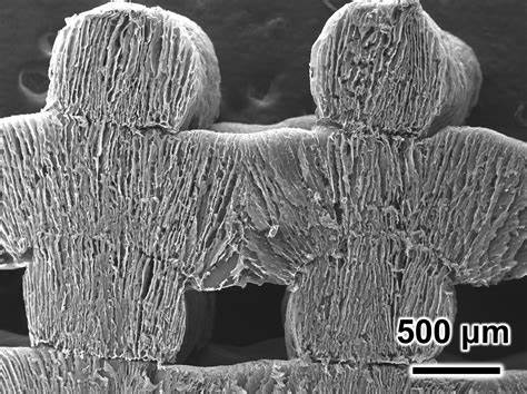
Недавний прорыв — создание губки-аэрогеля с уникальной структурой микроканалов, способной эффективно очищать морскую воду под воздействием только солнечного света. Команда исследователей под руководством доктора Сяо Мэн Чжао представила материал, который не требует электричества или сложного оборудования для опреснения. Основой губки служит аэрогель, напечатанный с использованием 3D-технологий путем послойного замораживания пасты из углеродных нанотрубок и целлюлозных нанофибр. Такая методика позволила создать пористую структуру с равномерно распределёнными вертикальными микроканалами диаметром около 20 микрометров. Особенность этого дизайна — способность сохранять эффективность испарения воды на разных масштабах, что особенно важно для практического использования как в малых, так и в больших системах.

Принцип работы инновационной губки основывается на использовании солнечного излучения. Под прямыми солнечными лучами верхняя часть материала нагревается, заставляя воду испаряться. В то же время соли и другие примеси остаются в исходном резервуаре, так как они не испаряются вместе с водой. Вода в виде пара конденсируется на прозрачной крышке и стекает в емкость, где собирается уже очищенная, пригодная для питья жидкость. В ходе полевых испытаний на протяжённости шести часов губка смогла произвести около трёх столовых ложек чистой воды всего из одной чашки морской воды.

Несмотря на скромные объёмы, данный эксперимент доказал практическую работоспособность и устойчивость конструкции к солевым отложениям, которые часто вызывают проблемы в других системах. Особенно важна способность губки к масштабированию, позволяющая сохранять высокую производительность при увеличении размеров — свойство, редко встречающееся у аналогичных материалов. По словам исследователей, ключевым преимуществом технологии является её экологичность и экономическая доступность. Отсутствие необходимости в электроэнергии и сложных устройствах позволяет гибко использовать материал в отдалённых или кризисных зонах, где доступ к ресурсам ограничен. Такая мобильная и простая система опреснения может стать эффективным решением для обеспечения питьевой водой небольших сообществ, отдельных семей или туристических лагерей в пустынных регионах.

Современные методы опреснения зачастую связаны с высокой себестоимостью и энергозатратами. Например, обратный осмос требует высокого давления для проталкивания воды через мембраны, а термическое опреснение связано с большими тепловыми потерями. Кроме того, у традиционных технологий есть экологические вызовы, такие как утилизация концентрата соли и химических реагентов. Инновационная губка на основе аэрогеля устраняет многие из этих проблем, работая исключительно за счёт возобновляемого солнечного излучения и простых физических процессов. Технологии на основе аэрогелей не новы, но разработанный 3D-печатный материал с вертикальными микроканалами — значительный шаг вперёд.

Ранее пробовали применять гидрогели, вдохновлённые природными структурами, например, губкой или лофой, но они были менее стабильны и плохо масштабировались. Аэрогели же обладают твёрдой структурой с многочисленными порами, что способствует лучшему прохождению воды и пару. Ключевая инновация — размеронезависимая эффективность испарения, то есть губка может быть как маленькой, так и достаточно большой, сохраняя высокую производительность. Ещё одним достоинством материала является его состав. Использование целлюлозных нанофибр обеспечивает лёгкость, прочность и экологическую безопасность вещества, а углеродные нанотрубки отвечают за фототермические свойства — они эффективно поглощают свет и преобразуют его в тепло.

Такая комбинация делает губку не только экологичной, но и долговечной и устойчивой к воздействию окружающей среды. Несмотря на впечатляющие результаты и масштабируемость, технология всё ещё требует доработки для промышленного и массового применения. В частности, необходимо оптимизировать соотношение площади губки и вырабатываемого объёма воды, чтобы достичь конкурентоспособных уровней производства. Кроме того, важна устойчивость к длительной эксплуатации, защита от засорения и воздействий окружающей среды. В перспективе исследователи планируют интегрировать такие аэрогели в модульные системы для автономных бытовых или коммунальных установок по очистке воды, что может существенно изменить существующий рынок водоочистки.

Важное значение разработки не только с точки зрения технических характеристик, но и с социальной позиции. Миллионы людей во всём мире проживают в зонах с острым дефицитом пресной воды, и зачастую именно там необходимы дешёвые и надёжные методы опреснения. Простота и низкие требования к эксплуатации инновационной губки открывают перспективы для быстрого внедрения в местах с ограниченным доступом к электроэнергии или инфраструктуре. Таким образом, это изобретение способно внести значительный вклад в достижение Целей устойчивого развития ООН, касающихся чистой воды и санитарии. Существующие вызовы по улучшению качества воды включают не только удаление соли, но и фильтрацию от вредных химических веществ, микроорганизмов и лекарственных остатков, которые всё чаще обнаруживаются в природных источниках.

Хотя губка пока специализируется на эффективном удалении солей, в дальнейшем возможна доработка с добавлением функциональных компонентов для комплексной очистки. Это расширит область применения технологии и повысит её универсальность. Текущие исследования стимулируют интерес к развитию новых материалов с использованием 3D-печати и нанотехнологий для решения глобальных экологических проблем. Пример инновационной аэрогелевой губки подтверждает потенциал междисциплинарного подхода, объединяющего химию, физику, биологию и инженерное дело. Благодаря таким интегративным изобретениям можно значительно ускорить переход к более устойчивому использованию природных ресурсов и снижению негативного воздействия на окружающую среду.

В ближайшие годы ожидается активное развитие и коммерциализация технологий на основе подобных материалов. В сочетании с возобновляемыми источниками энергии, такими как солнечные панели и ветровые турбины, они способны кардинально изменить подход к водоснабжению, особенно в тех регионах, где традиционные методы остаются слишком дорогими или технически сложными. Таким образом, созданная 3D-печатная губка-аэрогель с микроканалами открывает новую эру в области опреснения воды, демонстрируя эффективность, масштабируемость и экологичность. Это выдающееся изобретение способно стать важным инструментом для решения глобального водного кризиса, повысить качество жизни и помочь миллионам людей получить доступ к чистой и безопасной питьевой воде по всему миру.

Автоматическая торговля на криптовалютных биржах Покупайте и продавайте криптовалюты по лучшим курсам Privatejetfinder.com (RU)

Далее
An Amount of People Say Car Cupholders Are 'Difficult to Use'
Вторник, 14 Октябрь 2025 Почему всё больше водителей жалуются на неудобные подстаканники в автомобилях

Современные автомобили, несмотря на высокие технологии и комфорт, сталкиваются с неожиданной проблемой — неудобством использования подстаканников. Многие водители выражают недовольство дизайном и функциональностью этой, казалось бы, простой детали, что влияет на общее восприятие автомобиля и качество поездок.

I built a fast, citation-backed Google alternative in 2 days using Claude Code
Вторник, 14 Октябрь 2025 Как за 2 дня создать быструю альтернативу Google с поддержкой цитирования на базе Claude Code

Создание эффективной поисковой системы с поддержкой надежных источников – сегодня одна из важных задач в сфере технологий. Рассмотрим процесс разработки быстрой альтернативы Google с помощью Claude Code за минимальный срок и узнаем, какие ключевые шаги и идеи легли в основу этого проекта.

Live and Dead Options
Вторник, 14 Октябрь 2025 Живые и мёртвые варианты: как превращать невозможное в реальность

Понимание концепции живых и мёртвых вариантов помогает эффективно принимать решения, преодолевать ограничения и раскрывать новые возможности в жизни и работе. Изучение того, как вдохнуть жизнь в мёртвые варианты и использовать свои ресурсы для создания реальных перспектив, открывает путь к достижению целей и развитию личного потенциала.

Swahili on the Road
Вторник, 14 Октябрь 2025 Связующая нить Восточной Африки: как суахили стал региональным лингва франка

История становления суахили как языка общения на территории Восточной Африки и причины его широкой популяризации среди народов региона, сыгравшие ключевую роль в процессе деколонизации и национального единства.

Is it a bad idea to build a dating app?
Вторник, 14 Октябрь 2025 Стоит ли создавать приложение для знакомств: плюсы, минусы и особенности рынка

Разбор актуальности создания приложения для знакомств с учётом особенностей рынка и пользовательских предпочтений. Анализ преимуществ и рисков, чтобы помочь понять, насколько перспективна разработка такого продукта.

Tim Cook's Tim Cook Stepping Down from Apple
Вторник, 14 Октябрь 2025 Уход Тима Кука из Apple: конец эры и новый этап в истории компании

Рассмотрение причин и последствий ухода Тима Кука с поста генерального директора Apple, а также анализ будущих перспектив компании под новым руководством в условиях быстро меняющегося технологического мира.

R/artificial, R/singularity, R/programming, R/JavaScript, R/AGI
Вторник, 14 Октябрь 2025 Искусственный интеллект, сингулярность и программирование: современные тренды и перспективы развития

Обзор ключевых концепций и технологий в области искусственного интеллекта, сингулярности, программирования на JavaScript и разработки искусственного общего интеллекта (AGI), а также их влияние на цифровое будущее.